• 更新日期:2025/12/19 6:26:57
  • 联系方式:020-36026999

     我公司专业销售NSK320RV4502,能为客户提供各种技术服务,轴承320RV4502的品牌的四列圆锥滚子轴承,需要此轴承最新规格、图纸、报价等资料请联系销售人员!咨询电话:020-36026999
  • 320RV4502轴承

  • 系列:四列圆锥滚子轴承
  • 内径:
  • 外径:
  • 厚度:
  • 品牌:NSK
  • 系列
    四列圆锥滚子轴承2
  • 型号
    320 RV 4502
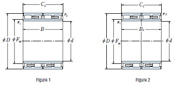
  • Boundary Dimensions外形尺寸(mm)
    • d
    • D
    • B, B2
    • C2
    • Fw
    • r1 min
    • r2 min
    • 320
    • 450
    • 240
    • 240
    • 355
    • 3
    • 3
  • Basic Load Ratings额定载荷(N)牛顿

    (kgf)千克力
    • Cr额定动载荷
    • C0r额定静载荷
    • Cr额定动载荷
    • C0r额定静载荷
    • 2 320 000
    • 5 750 000
    • 237 000
    • 585 000
  • Bearing Numbers轴承代号
    • 320 RV 4502
  • Mass(kg)
    • approx参考
    • 116
  • Figures图列号码
    • 1
  • Reference Numbers 参考型号
  • NSK320 RV 4502样本图纸

   NSK320RV4502轴承代理商为您推荐型号:
   此轴承还可以用于: 诊察设备  牵引、矫正设备  监护设备  治疗设备  医护辅助设备  检验分析设备  手术专用设备  消毒灭菌设备  康复理疗设备  医用车、床、台  等领域

微信客服

24小时服务热线

020-36026999

手机:18924187999   18922176823

传真:020-36705678

邮箱:sales@gzbearing.cn

QQ:1332851431    1287892822

地址:广州市白云区齐富路62号亿达大厦630室

工作时间

工作日:  08:30 – 18:00
周六:  09:00 – 17:00
周日:  休息
紧急情况:  24小时 / 7天