• 更新日期:2025/12/19 1:58:15
  • 联系方式:020-36026999

     我公司专业销售NSK FR2-6,能为客户提供样本图纸,轴承FR2-6的品牌的英制深沟球轴承,需要此轴承内外圈、内外径、厚度结构等资料请联系销售人员!咨询电话:020-36026999
  • FR2-6轴承

  • 系列:英制深沟球轴承
  • 内径:3.175
  • 外径:9.525
  • 厚度:2.779
  • 品牌:NSK
  • 系列
    英制深沟球轴承2
  • 型号
    FR2-6
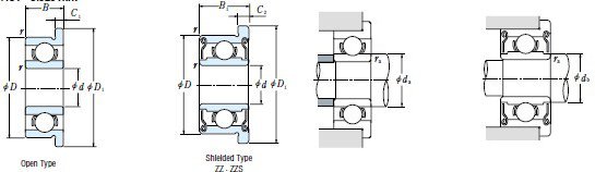
  • Boundary Dimensions外形尺寸(mm)
    • d 内径
    • D 外径
    • B厚度
    • D1 法兰外径
    • B1 带盖厚度
    • C1 法兰厚度
    • C2 带盖法兰厚度
    • r倒角
    • 3.175
    • 9.525
    • 2.779
    • 10.719
    • 3.571
    • 0.580
    • 0.790
    • 0.15
  • Basic Load Ratings额定载荷(N)牛顿(kgf)千克力
    • Cr额定动载荷
    • C0r额定静载荷
    • Cr额定动载荷
    • C0r额定静载荷
    • 640
    • 225
    • 65
    • 23
  • "Limiting Speeds (rpm)极限转速Grease脂润滑oil 油润滑
    • "Open开式Z · ZZ 铁盖V · VV 胶封"
    • "Open 开式z单面铁盖"
    • 53000
    • 63000
  • Bearing Numbers 轴承代号
    • Open开式
    • Shielded带防尘盖
    • FR2-6
    • FR 2-6 ZZS
  • Abutment and Fillet Dimensions 安装尺寸(mm)
    • da
    • db
    • ra
    • 04.4
    • 04.6
    • 0.15
  • Mass重量
    approx 参考
    • Open开式
    • Shielded防尘盖
    • 01.04
    • 01.25
  • NSKFR2-6样本图纸

   NSKFR2-6轴承代理商为您推荐型号:
   此轴承还可以用于: 诊察设备  牵引、矫正设备  监护设备  治疗设备  医护辅助设备  检验分析设备  手术专用设备  消毒灭菌设备  康复理疗设备  医用车、床、台  等领域

微信客服

24小时服务热线

020-36026999

手机:18924187999   18922176823

传真:020-36705678

邮箱:sales@gzbearing.cn

QQ:1332851431    1287892822

地址:广州市白云区齐富路62号亿达大厦630室

工作时间

工作日:  08:30 – 18:00
周六:  09:00 – 17:00
周日:  休息
紧急情况:  24小时 / 7天